Ipari szekrényajtó záraz elosztószekrények, kommunikációs szekrények, vezérlődobozok és egyéb berendezések legfontosabb védőeleme, amely közvetlenül kapcsolódik a belső elektromos alkatrészek biztonságához és a rendszer stabil működéséhez.
A szállítási idő és a különböző projektek specifikációinak változatos követelményeinek kielégítése érdekében cégünk mindig ötféle általánosan használt zárral rendelkezik raktáron --Hosszú rúdzár, Panelzár, Rod Control Lock, Fogantyúzár,Rotary Tongue Lock. Ugyanakkor támogatunk minden nem szabványos, rajz vagy minta alapján testreszabott zárat, amely mindenféle fém elosztódobozhoz kiválóan alkalmas.
A síkzár az egyik legelterjedtebb ipari szekrényajtó-zártípus, szép és könnyen karbantartható. Cégünk elindította az AB301, AB302, AB303, AB402, AB403 sorozatú síkzárat, a differenciált kialakítás szerkezeti szilárdságában, védelmi teljesítményében és működési érzetében, megfelel az elosztódoboz különböző specifikációinak, a kapcsolószekrény telepítési követelményeinek.
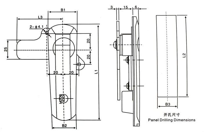
| Méretek | Termékszám | |||||||
| L1 | L2 | L3 | B1 | B2 | Szürke krómozás | Szürke spray festék | Fekete porszórt | Súly (g) |
| 147 | 117 | 72 | 33 | 26.5 | AB301-1-1.2 | AB301-1-1.8 | AB301 | 370 |
| 120.5 | 95.5 | 65 | 30 | 23.5 | AB301-2-1.2 | AB301-2-1.8 | AB302 | 290 |
| 87.5 | 62.5 | 65 | 28.5 | 23.5 | AB301-3-1.2 | AB301-3-1.8 | AB303 | 215 |
Fő anyag: cink ötvözet.
Felületkezelés: fényes króm, matt, fekete.
Funkció és használat: Bal és jobb ajtónyitás, könnyen használható, tömítő és vízálló funkcióval.
Fő anyag: cink ötvözet.
Felületkezelés: fényes króm, matt, fekete.
Funkció és használat: Bal és jobb ajtónyitás, könnyen használható, tömítő és vízálló funkcióval.
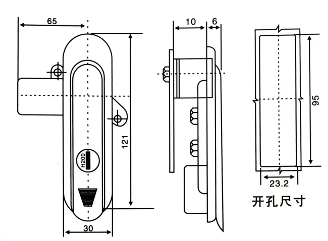
Anyaga: cink ötvözet zártest, forgó tengely, horganyzott acél csavar, nyomólemez.
Felületkezelés: ezüstszürke nano spray.
Szerkezet leírása: Nyitáshoz vagy záráshoz forgassa el 90 fokkal.
| MODELL | L1 | L2 | L3 | B1 | B2 | B3 |
| ÚJ AB402-A | 123 | 95.5 | 65 | 36.5 | 30 | 23.5 |
| ÚJ AB403-A | 91 | 62.5 | 65 | 33 | 28.5 | 23.5 |
| ÚJ AB401-A | 151 | 117 | 72 | 36 | 30 | 26.5 |
